全国服务热线:18929357195

专业机械设备领域精密齿轮制造商标准件厂家直供

首页 计算公式

多楔带轮传动比计算


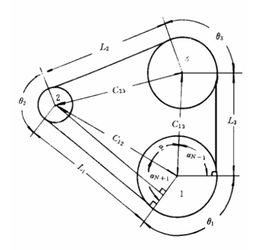
多楔带的带长和包角是轮系设计计算中的两个最基本的参数,多楔带传动经常是一带传动多个多楔轮,而且会包括背部传动。所以多楔带的带长计算会是非常的复杂。在设计时候,附件轮的位置和直径会经常改变,所以我们如果要获得最佳的结果和特定的带长,就必须要根据附件的位置来进行反的核算。因此,多楔带的带长和包角的计算成就就显得非常的碧瑶和实用了。

而需要多楔带的带长和包角,多楔轮的传动比的计算就非常的重要了。在下图中我们可以看出,多楔轮和多楔带的相对位置有两种情况,即是多楔轮在多谢带的内侧或者是在多楔带的外侧。


图片1

多楔轮的传动比计算公式如下:

88爱彩 Ln=√ ̄【Cn²×N+1-(Dn-Dn+1)²÷2】

其中Cn为各个多楔轮的中心距,Dn为各个多楔轮的直径


本文由深圳市合发齿轮机械有限公司,合发齿轮17年只做一件事精密齿轮制造—同步带轮—同步带,生产厂家标准件大量库存当天发货价格优质保障,集研发.生产.服务一体化,

88爱彩 深圳市合发齿轮机械有限公司 版权所有

澳门灵蛇网4949-香港灵蛇网论坛资料大全最新-灵蛇网4846cc最新版本更新内容-灵蛇网4668cc-灵蛇澳门2025年今晚看 香港六玄开奖网-六玄网132432-六玄神马开奖44579-六玄公式6588777-六玄神马免费中特料-澳彩六玄网论坛6258cmcc 万彩网-欢迎光临 639cc全民彩-639cc金满地-金满地45451cc-639ccd全民乐-639CC2全民乐 welcome如意彩|首页 灵蛇澳门2025年今晚看-灵蛇网4846cc-灵蛇网免费资料大全--灵蛇网4846cc最新版本更新内容-澳门灵蛇网4949