全国服务热线:18929357195

专业机械设备领域精密齿轮制造商标准件厂家直供

首页 同步带轮常见问题

机器人升降装置的同步带轮

器人升降装置

【申请公布号:CN108002308A;申请权利人:广州松兴电气股份有限公司;发明设计人:朱方勇; 颜剑航; 邓志兵; 张东桥;】
摘要:
机器人升降装置,包括基座动力部分、传动部分和举升部分。所述举升部分为被升降物支撑平台,举升部分支撑是通过丝杆轴支撑与传动部分丝杆固定相连,而另一侧通过滑轨与基座动力部分滑动连接;所述传动部分设有轴承固定座和轴承旋转座,通过轴承与基座部分转动连接,而另一端则通过同步带、同步带轮传递与基座部分电机侧传输动力。电机通过伺服控制器编码控制电机转动,驱动升降机构装置通过同步带、同步带轮传递运动,使举升部分通过滑块滑动位移到达制定精准工作位置。升降机构装置,其升降或停止位置是通过伺服控器编码控制电机转动,从而使举升部分通过一定位移量,解决升降位置及升降点位之间位移关系出现的各种问题,得到精准的升降位置。
主权项:
一种升降机构装置,包括:基座动力部分、传动部分和举升部分,其特征是所述基座动力部分包括固定基座、电机和主动同步轮,并安装有检测开关,经同步带与传动部分从动同步轮相连接;所述传动部分包括轴承固定座、轴承旋转座、深沟球轴承、推力球轴承以及从动同步轮和丝杆,其中轴承固定座固定在固定基座上与轴承旋转座安装轴承通过丝杆传动与举升部分相连接;所述举升部分包括浮动板、浮动支撑架、滑轨及安装检测块,通过滑轨固定在固定基座上,滑块运动形成运动闭环升降机构装置。
要求:
1.一种升降机构装置,包括:基座动力部分、传动部分和举升部分,其特征是所述基座动力部分包括固定基座、电机和主动同步轮,并安装有检测开关,经同步带与传动部分从动同步轮相连接;所述传动部分包括轴承固定座、轴承旋转座、深沟球轴承、推力球轴承以及从动同步轮和丝杆,其中轴承固定座固定在固定基座上与轴承旋转座安装轴承通过丝杆传动与举升部分相连接;所述举升部分包括浮动板、浮动支撑架、滑轨及安装检测块,通过滑轨固定在固定基座上,滑块运动形成运动闭环升降机构装置。
2.根据权利要求1所述的升降机构装置,其特征是基座动力部分电机通过同步带传动到达传动部分,升降动作,电机通过伺服控制器编码控制电机转动,驱动升降机构装置通过同步带、同步轮传递运动,使举升部分通过滑块滑动位移到达制定精准工作位置。
3.根据权利要求1所述的升降机构装置,其特征是所述为同步带传动结构,采用齿轮传动结构形式,相关改动的结构零件由主动同步轮变更为主动端齿轮,从动同步轮变更为从动齿轮,撤销同步带。
4.根据权利要求1所述的升降机构装置,其特征是所述为轴承动结构形式,为深沟球轴承与推力球轴承组合,或者采用角接触轴承代替深沟球轴承代替。
5.根据权利要求1所述的升降机构装置,其特征是所述为电机输出形式,或者采用伺服电机或者步进电机代替。
6.根据权利要求1所述的升降机构装置,其特征是所述上限位检测形式为检测开关检测,或者采行程开关代替。
7.根据权利要求1所述的升降机构装置,其特征是所述下限位检测形式为检测开关检测,或者采行程开关代替。
8.根据权利要求1所述的升降机构装置,其特征是所述机器人升降装置升降搭载物包括但不限于:机器人、视觉系统、测量系统等检查测量工具。
机器人升降装置
技术领域
本发明属于机械制造技术领域,适用于轨道车辆检修统技术,具体是一种机器人升降装置。
背景技术
机器人升降装置是轨道车辆检修小车主要部件之一。升降装置升降搭载物包括但不限于:机器人、视觉系统、测量系统等检查测量工具。轨道车辆检修小车是视觉机器人安装在专用检测小车上,能够根据应用平台通过无线网络发送的指令自动完成库内检修作业,并实时发回检修进度及设备状态;而轨道车辆检修小车上进行图像采集的工具是采用机器人搭载视觉测量,通过专用小车行走、多点位移动工作;机器人轨迹精准重复定位精度可靠。但是由于轨道车辆的车轮在行驶过程中有一定磨损量,造成被检测物多次检测的高低不同,所以需要一款能够自动补偿由车轮磨损带来的检测偏差的升降台。
发明内容
本发明的目的在于提供一种升降机构装置,以解决上述背景技术中提出的问题。
本发明的技术方案:
升降机构装置,包括:基座动力部分、传动部分和举升部分。所述基座动力部分包括固定基座、电机和主动同步轮,并安装有检测开关,经同步带与传动部分从动同步轮相连接;所述传动部分包括轴承固定座、轴承旋转座、深沟球轴承、推力球轴承以及从动同步轮和丝杆,其中轴承固定座固定在固定基座上与轴承旋转座安装轴承通过丝杆传动与举升部分相连接;所述举升部分包括浮动板、浮动支撑架、滑轨及安装检测块,通过滑轨固定在固定基座上,滑块运动形成运动闭环升降机构装置。
所述基座动力部分电机通过同步带传动到达传动部分,升降动作,电机通过伺服控制器编码控制电机转动,驱动升降机构装置通过同步带、同步轮传递运动,使举升部分通过滑块滑动位移到达制定精准工作位置。
作为本发明再进一步的方案:所述为同步带传动结构,采用齿轮传动结构形式,相关改动的结构零件由主动同步轮变更为主动端齿轮,从动同步轮变更为从动齿轮,撤销同步带;
作为本发明再进一步的方案:所述为轴承动结构形式,为深沟球轴承与推力球轴承组合,或者采用角接触轴承代替深沟球轴承代替;
作为本发明再进一步的方案:所述为电机输出形式,或者采用伺服电机或者步进电机代替;
作为本发明再进一步的方案:所述上限位检测形式为检测开关检测,或者采行程开关代替;
作为本发明再进一步的方案:所述下限位检测形式为检测开关检测,或者采行程开关代替。
所述机器人升降装置升降搭载物包括但不限于:机器人、视觉系统、测量系统等检查测量工具。
与现有技术相比,本发明的有益效果是:升降机构装置是电机通过伺服控制器编码控制电机转动,驱动升降机构装置通过同步带、同步轮传递运动,使举升部分通过滑块滑动位移到达制定精准工作位置。从而解决升降定位点单一,或者多点位之间位置关系存在偏差,很难对数据采集或对比提供有力依据等问题。因此本发明的通过改进结构,有效地克服已有技术之不足。
本发明结构简单,采用同步轮同步带传动,以及丝杆传动方法,通过通过伺服控制器编码控制电机转动,使举升部分位移到达多个精准工作位置,从而解决实际运用中需要实现多点位数据采集或对比分析提供更准确依据。
附图说明
机器人升降装置
图1为升降机构装置的结构各部分示意图;
机器人升降装置
图2为升降机构装置的结构示意图;
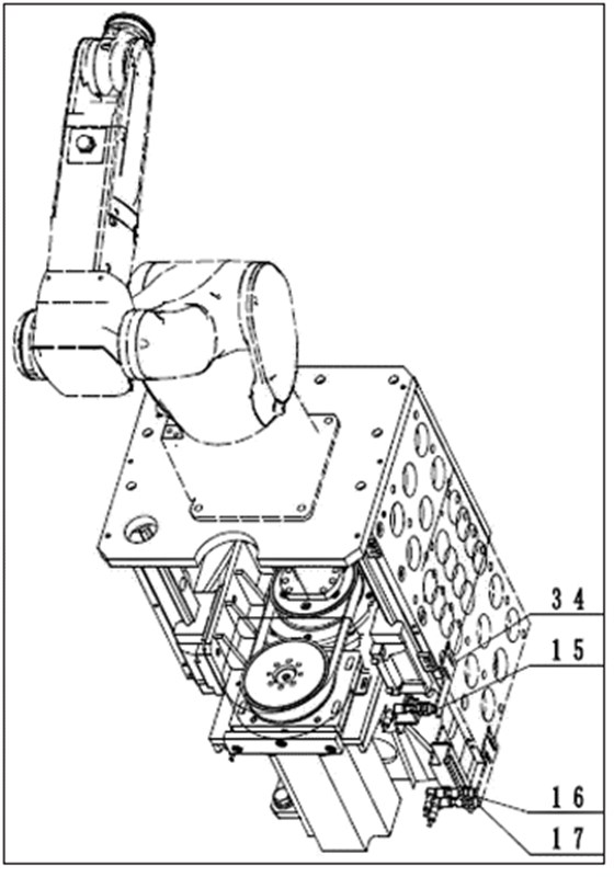
图示:1基座动力部分,11固定基座,12电机,13主动同步轮,14同步带,15上限位检测开关,16原点检测开关,17下限位检测开关,2传动部分,21轴承固定座,22轴承旋转座,23推力球轴承,24从动同步轮,25丝杠,26深沟球轴承,3举升部分,31浮动板,32浮动支撑架,33滑轨,34检测块,4机器人。
具体实施方式
下面将结合本发明实施例中的附图,对本发明实施例中的技术方案进行清楚、完整地描述,显然,所描述的实施例仅仅是本发明一部分实施例,而不是全部的实施例。基于本发明中的实施例,本领域普通技术人员在没有做出创造性劳动前提下所获得的所有其他实施例,都属于本发明保护的范围。
请参阅附图1,本发明实施例中,一种升降机构装置,这种升降机构装置,包括1基座动力部分、2传动部分和3举升部分。具体位置结构请参阅附图2。
所述1、基座动力部分包括:11固定基座,12电机,13主动同步轮,14同步带,15上限位检测开关,16原点检测开关,17下限位检测开关。所述11固定基座上固定安装12电机;所述12电机通过键连接安装13主动同步轮;所述13主动同步轮与14同步带连接;15上限位检测开关,16原点检测开关,17下限位检测开关分别按设点点固定再11固定基座上;
所述2传动部分包括21轴承固定座,22轴承旋转座,23推力球轴承,24从动同步轮,25丝杠,26深沟球轴承。所述21轴承固定座固定安装在所述11基座上;所述22轴承旋转座经所述23推力球轴承和26深沟球轴承与所述21轴承固定座连接;所述22轴承旋转座安装所述24从动同步轮以及所述25丝杠的丝杠螺母;所述24从动同步轮与所述1、基座动力部分所述的14同步带连接;
所述3举升部分包括31浮动板,32浮动支撑架,33滑轨,34检测块。所述31浮动板与所述32浮动支撑架固定连接;所述31浮动板与所述2传动部分所述25丝杠的丝杠端轴支撑相连;所述32浮动支撑架与所述33滑轨轨道固定;所述33滑轨滑块与所述1基座动力部分所述的11基座固定连接;所述34检测块安装在所述32浮动支撑架上。
本发明的工作原理是:首先通过设定检测开关位置,能实现首个点位对应,然后通过伺服控器编码控制电机转动,从而使举升部分通过一定位移量,主动同步轮经由同步带传送到从动同步轮,从动同步轮与丝杠螺母一起运动实现丝杠转动,丝杠举升、下降带动浮动板从而使滑块运动,实现举升机构到达理想位置。
从上述的工作原理表明,升降机构装置是通过电机编码控制读取检测开关设定原点和达初始位置后,驱动升降机构通过滑块运动,使举升部分位增量移到达多个精准工作位置。从而解决定位点单一,或者多点位之间位置关系存在偏差,很难对数据采集或对比提供有力依据等问题。因此本发明的通过改进结构,有效地克服已有技术之不足。
对于本领域技术人员而言,显然本发明不限于上述示范性实施例的细节,而且在不背离本发明的精神或基本特征的情况下,能够以其他的具体形式实现本发明。因此,无论从哪一点来看,均应将实施例看作是示范性的,而且是非限制性的,本发明的范围由所附权利要求而不是上述说明限定,因此旨在将落在权利要求的等同要件的含义和范围内的所有变化囊括在本发明内。不应将权利要求中的任何附图标记视为限制所涉及的权利要求。
此外,应当理解,虽然本说明书按照实施方式加以描述,但并非每个实施方式仅包含一个独立的技术方案,说明书的这种叙述方式仅仅是为清楚起见,本领域技术人员应当将说明书作为一个整体,各实施例中的技术方案也可以经适当组合,形成本领域技术人员可以理解的其他实施方式。

本文由深圳市合发齿轮机械有限公司,合发齿轮17年只做一件事精密齿轮制造—同步带轮—同步带,生产厂家标准件大量库存当天发货价格优质保障,集研发.生产.服务一体化,

88爱彩 深圳市合发齿轮机械有限公司 版权所有

澳门灵蛇网4949-香港灵蛇网论坛资料大全最新-灵蛇网4846cc最新版本更新内容-灵蛇网4668cc-灵蛇澳门2025年今晚看 香港六玄开奖网-六玄网132432-六玄神马开奖44579-六玄公式6588777-六玄神马免费中特料-澳彩六玄网论坛6258cmcc 万彩网-欢迎光临 639cc全民彩-639cc金满地-金满地45451cc-639ccd全民乐-639CC2全民乐 welcome如意彩|首页 灵蛇澳门2025年今晚看-灵蛇网4846cc-灵蛇网免费资料大全--灵蛇网4846cc最新版本更新内容-澳门灵蛇网4949