全国服务热线:18929357195

专业机械设备领域精密齿轮制造商标准件厂家直供

首页 设计定制

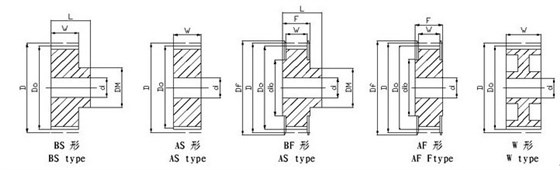
同步带轮基本选型结构图纸

同步带轮齿形选型同步带轮选型结构图

备注:
A--表示同步带轮不带台阶
B--表示同步带轮带台阶
W--表示同步带轮两端有掏空孔(减重量结构)
F--表示同步带轮带档片
S--表示同步带轮不带档片
以上为本公司同步带轮基本结构图,还可按客户来图来样加工(规格型号、带轮内孔、键槽、宽度等尺寸为您绘制带轮图纸),欢迎来电来函咨询!

同步轮外径、节径示意图

同步轮外径、节径示意图

备注:
Pb=同步轮节圆或同步带节线上测得相邻两齿的距离。
d=同步轮的节圆直径。
88爱彩 do=同步轮实际外圆直径。

88爱彩本文由深圳市合发齿轮机械有限公司,合发齿轮17年只做一件事精密齿轮制造—同步带轮—同步带,生产厂家标准件大量库存当天发货价格优质保障,集研发.生产.服务一体化,

88爱彩 深圳市合发齿轮机械有限公司 版权所有

澳门灵蛇网4949-香港灵蛇网论坛资料大全最新-灵蛇网4846cc最新版本更新内容-灵蛇网4668cc-灵蛇澳门2025年今晚看 香港六玄开奖网-六玄网132432-六玄神马开奖44579-六玄公式6588777-六玄神马免费中特料-澳彩六玄网论坛6258cmcc 万彩网-欢迎光临 639cc全民彩-639cc金满地-金满地45451cc-639ccd全民乐-639CC2全民乐 welcome如意彩|首页 灵蛇澳门2025年今晚看-灵蛇网4846cc-灵蛇网免费资料大全--灵蛇网4846cc最新版本更新内容-澳门灵蛇网4949