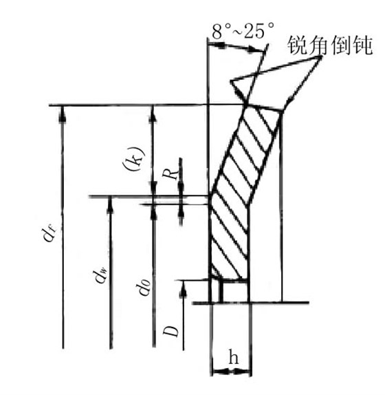
同步带轮的挡圈尺寸
|
周节制 | 槽型 | MXL | XXL | XL | L | H | XH | XXH | ||||||||||||||||||
| 挡圈最小高度K | 0.5 | 0.8 | 1.0 | 1.5 | 2.0 | 4.8 | 6.1 | ||||||||||||||||||||
| 挡圈厚度h | 0.5~1.0 | 0.5~1.5 |
0.5~1.5
|
1.0~2.0
|
1.5~2.5
|
4.0~5.0
|
5.0~6.5
|
||||||||||||||||||||
|
带轮外径d0
|
见各型号附表
|
||||||||||||||||||||||||||
|
挡圈弯曲处直径dw
|
dw=do+(0.38±0.25)
|
||||||||||||||||||||||||||
|
挡圈外径df
|
df=dw+2K
|
||||||||||||||||||||||||||
| 模数制 | 模数 | 1 |
1.5
|
2 | 2.5 | 3 | 4 | 5 | 7 | 10 | |||||||||||||||||
| Kmin | 0.5 | 1 |
1.5
|
2 | 3 | 5 | 6 | ||||||||||||||||||||
| h |
0.5~1
|
1.0~1.5 |
1.0~2.0
|
1.5~2.5
|
2.5~4 | 4~5 | 5~6.5 | ||||||||||||||||||||
| 特殊节距 | 槽型 | T2.5 | T5 | T10 | T20 | ||||||||||||||||||||||
| 挡圈最小高度K | 0.8 | 1.2 | 2.2 | 3.2 | |||||||||||||||||||||||
| 挡圈弯曲处直径dw |
dw=do+(0.38±0.25)
|
||||||||||||||||||||||||||
| 挡圈外径df |
df=dw+2K
|
||||||||||||||||||||||||||
| 圆弧齿 | 槽型 |
3M
|
5M
|
8M
|
14M
|
20M
|
|||||||||||||||||||||
| 挡圈最小高度K |
2.0~2.5
|
2.5~3.5
|
4.0~5.5
|
7.~7.5
|
8.0~8.5
|
||||||||||||||||||||||
| R=(dw~do)/2 |
1
|
1.5
|
2
|
2.5
|
3
|
||||||||||||||||||||||
| 挡圈厚度h |
1.5~2.0
|
1.5~2.5
|
2.5~3.
|
3.0~3.5
|
|||||||||||||||||||||||
| 带轮外径do |
各型号附表
|
||||||||||||||||||||||||||
| 挡圈弯曲处直径dw |
dw=do+2R
|
||||||||||||||||||||||||||
| 挡圈外径df |
df=dw+2K
|
||||||||||||||||||||||||||
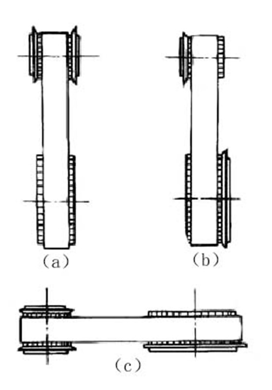
挡圈的设置
| 两轴传动 |
(1)一般推荐小带轮两侧均设挡圈,大带轮两侧不设,如图a
(2)也可在大小带轮的不同侧面各装单侧挡圈,如图b
|
![]() |
|
| (3)当轴间距a>8df | 大小轮两侧均设挡圈 | ||
| (4)带轮轴线垂直水平面时 | 大小轮两侧均设挡圈,或至少主动轮两侧与从动轮下侧设挡圈如图c | ||
| 多轴传动 |
(1)每隔一个轮两侧设挡圈,被隔的不设
(2)或每个轮的不同侧设挡圈
|
||
88爱彩本文由深圳市合发齿轮机械有限公司,合发齿轮17年只做一件事精密齿轮制造—同步带轮—同步带,生产厂家标准件大量库存当天发货价格优质保障,集研发.生产.服务一体化,
