全国服务热线:18929357195

专业机械设备领域精密齿轮制造商标准件厂家直供

首页 设计定制

同步带轮/同步轮传动特点

什么是同步带轮?

同步带轮88爱彩又称同步轮,一般由钢,铝合金,铸铁,黄铜,等材料制造。内孔有圆孔,D形孔,锥形孔等形式。表面处理有本色氧化,发黑,镀锌,镀彩锌,高频淬火等处理。精度等级依客户要求而定。

1、生产的同步带轮既为国产化设备的同步带配套,又能代替进口同步带轮使用。

2、用户定制同步带轮,请提供带轮图纸(图中可不必绘制带轮的齿形尺寸),可按用户提供的规格型号、带轮内孔、键槽、宽度等尺寸为用户绘制带轮图纸。

88爱彩 3、同步带轮完全可以按照用户需求加工,同样我厂也可以为用户制定图纸。

同步带轮/同步轮传动特点

1)传动准确,工作时无滑动,具有恒定的传动比;

2)传动平稳,具有缓冲、减振能力,噪声低;

88爱彩 3)传动效率高,可达0.98,节能效果明显;

88爱彩 4)维护保养方便,不需润滑,维护费用低;

5)速比范围大,一般可达10,线速度可达50m/s,具有较大的功率传递范围,可达几瓦到几百千瓦;

6)可用于长距离传动,中心距可达10m以上。

7) 无污染,可在不允许有污染和工作环境较为恶劣的场所下正常工作

同步带轮基本结构图

什么是同步带轮,同步轮传动特点

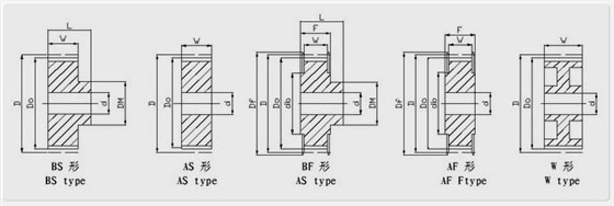
备注: A--表示同步带轮不带台阶 B--表示同步带轮带台阶 W--表示同步带轮两端有掏空孔(减重量结构) F--表示同步带轮带档片 S--表示同步带轮不带档片

同步带轮外径及节圆外径示意图

什么是同步带轮,同步轮传动特点

备注: Pb=同步轮节圆或同步带节线上测得相邻两齿的距离。 d=同步轮的节圆直径。 do=同步轮实际外圆直径。

同步带轮表示方法

什么是同步带轮,同步轮传动特点

本文由深圳市合发齿轮机械有限公司,合发齿轮17年只做一件事精密齿轮制造—同步带轮—同步带,生产厂家标准件大量库存当天发货价格优质保障,集研发.生产.服务一体化,

深圳市合发齿轮机械有限公司 版权所有

澳门灵蛇网4949-香港灵蛇网论坛资料大全最新-灵蛇网4846cc最新版本更新内容-灵蛇网4668cc-灵蛇澳门2025年今晚看 香港六玄开奖网-六玄网132432-六玄神马开奖44579-六玄公式6588777-六玄神马免费中特料-澳彩六玄网论坛6258cmcc 万彩网-欢迎光临 639cc全民彩-639cc金满地-金满地45451cc-639ccd全民乐-639CC2全民乐 welcome如意彩|首页 灵蛇澳门2025年今晚看-灵蛇网4846cc-灵蛇网免费资料大全--灵蛇网4846cc最新版本更新内容-澳门灵蛇网4949