AT5同步带轮_标准_规格_型号_设计_计算
AT5同步带轮产品特点
AT5同步带轮与AT5同步带配套,具有传动准确、平衡、噪音小、无滑差又节能的特点,而且结构紧凑,宜于多轴传动、耐油、耐潮、不需要润滑等有点。
AT5同步带轮使用材质
碳素钢、铸铁、铝合金、工程塑料及特种材质。AT5同步带轮定制须知
1、本公司生产的带轮既为国产化设备的AT5同步带轮配套,又能代替进口AT5同步带轮使用。2、用户定制AT5同步带轮,请提供AT5同步带轮图纸(图在可不必绘制带轮的齿型尺寸),本公司也可按用户提供的规格,内孔,键槽宽度等尺寸为用户绘制AT5同步带轮图纸;也可为用户提供测绘AT5同步带轮等服务。
3、AT5同步带轮的外径公差、端面跳动量、径向跳动量符合带轮设计表规定。
4、AT5同步带轮的同步带选用带轮齿面宽度须符合带轮设计表规定要求。
5、附表中没有列出的带轮规格,本公司也可生产,详细请咨询网站客服或者来电:18929357195
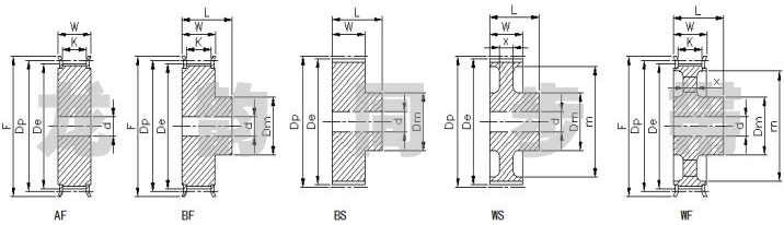
AT5同步带轮常见形状
注:以上是AT5同步带轮说明,具体型号规格请联系网站客服或者电话咨询18929357195
iHF齿轮21年只做一件事精密齿轮制造—同步带轮—同步带88爱彩,生产厂家标准件大量库存当天发货价格优质保障,集研发.生产.服务一体化,版权所有:http://hawaii411.com转载请注明出处
- 让同步带轮不会发热的知识点,您要了解吗?
- 附近的齿轮加工厂电话 189-2935-7195
- 同步带轮htd型(圆弧形齿)选型图
- 使用同步带轮传动的特点
- 现代数控机床采用同步带轮传动如何控制机床的噪音?
- 用户最好是购买知名厂家制造的材质质量好尺寸精准的同步带轮
- 同步带轮的使用寿命由哪些方面影响的呢
- 对于同步带轮的成本应该如何控制
- 同步带轮也需要维护
- 同步带轮:将力量分散处理
联系iHF齿轮
88爱彩 18929357195
售后电话:88爱彩0755-27746221
客服QQ:2850623673
邮箱:88爱彩2850623673@qq.com
地址:深圳市龙华新区大浪创艺路16号安宏基工业园C栋


