MXL同步带轮规格型号表/尺寸表/宽度/选型/设计
MXL同步带轮产品特点
MXL同步带轮,支持MXL同步带轮,传动精度,平衡,低噪音,无滑,节能特点,结构紧凑,多轴,耐油,抗湿气,不需要润滑等。使用材料MXL同步带轮
碳钢、铸铁、铝合金、工程塑料和特种材料。MXL同步带轮定制要求
1、公司生产的MXL同步带轮国产化皮带轮配套成套设备,可代替进口MXL同步带轮。
2、用户定制MXL同步带轮,请提供MXL同步带轮图(型号为不能拉出轮齿尺寸),公司也可根据用户规格、内孔、键槽宽度尺寸绘制MXL同步带轮图供用户使用;也可为用户提供地图MXL同步带轮等服务。
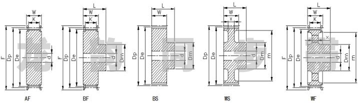
3、MXL同步带轮直径公差、面跑测量、径向跳动符合滑轮设计表的规定。
4、齿面宽度同步带MXL同步带轮的选择必须符合滑轮设计表的要求。
5、未列入表轮规格,公司也可生产,请咨询详细网站或电话服务:
常见的MXL同步带轮规格型号尺寸表
|
规格
|
齿数
|
节径 d
|
外径 do
|
档边直径df
|
档边内径 db
|
档边厚度 h
|
|
22MXL
|
22
|
14.23
|
13.72
|
18
|
12
|
1
|
|
23MXL
|
23
|
14.88
|
14.37
|
18
|
12
|
1
|
|
24MXL
|
24
|
15.52
|
15.02
|
18
|
12
|
1
|
|
25MXL
|
25
|
16.17
|
15.66
|
18
|
12
|
1
|
|
26MXL
|
26
|
16.82
|
16.31
|
22
|
11
|
1
|
|
27MXL
|
27
|
17.46
|
16.96
|
22
|
11
|
1
|
|
28MXL
|
28
|
18.11
|
17.6
|
22
|
11
|
1
|
|
29MXL
|
29
|
18.76
|
18.25
|
22
|
11
|
1
|
|
30MXL
|
30
|
19.4
|
18.9
|
22
|
11
|
1
|
|
32MXL
|
32
|
20.7
|
20.19
|
25
|
15
|
1
|
|
34MXL
|
34
|
21.99
|
21.48
|
25
|
15
|
1
|
|
36MXL
|
36
|
23.29
|
22.78
|
26
|
17
|
1
|
|
38MXL
|
38
|
24.58
|
24.07
|
29
|
18
|
1
|
|
40MXL
|
40
|
25.87
|
25.36
|
29
|
18
|
1
|
|
42MXL
|
42
|
27.17
|
26.66
|
29
|
18
|
1
|
|
44MXL
|
44
|
28.46
|
27.95
|
32
|
21
|
1
|
|
46MXL
|
46
|
29.75
|
29.25
|
32
|
21
|
1
|
|
48MXL
|
48
|
31.05
|
30.54
|
34.5
|
24.5
|
1
|
|
50MXL
|
50
|
32.34
|
31.83
|
34.5
|
24.5
|
1
|
|
52MXL
|
52
|
33.63
|
33.13
|
37.8
|
28
|
1
|
|
60MXL
|
60
|
38.81
|
38.3
|
44
|
32
|
1
|
|
72MXL
|
72
|
46.57
|
46.06
|
51
|
36
|
1
|
同步带轮齿形:
iHF齿轮21年只做一件事精密齿轮制造—同步带轮—同步带,生产厂家标准件大量库存当天发货价格优质保障,集研发.生产.服务一体化,版权所有:http://hawaii411.com转载请注明出处
- 同步带轮制造工艺和同步带轮的精度
- 同步轮设计考虑的因素
- 直径较大的同步轮如何加工
- 同步带轮加工精度升级,优质同步带轮
- 同步带轮配同步带传动同比其它传动件优点
- 同步带轮的3个设计“流程”大公布!
- 多楔带轮的制作材质
- 同步带轮设计流程
- 同步带轮的设计要求!
- T2.5型同步带轮设计参数?
联系iHF齿轮
18929357195
售后电话:0755-27746221
客服QQ:2850623673
邮箱:88爱彩2850623673@qq.com
地址:深圳市龙华新区大浪创艺路16号安宏基工业园C栋


