什么是同步带轮?同步带轮/同步轮传动特点
同步带轮又称同步轮,一般由钢,铝合金,铸铁,黄铜,等材料制造。内孔有圆孔,D形孔,锥形孔等形式。表面处理有本色氧化,发黑,镀锌,镀彩锌,高频淬火等处理。精度等级依客户要求而定。
1、生产的同步带轮既为国产化设备的同步带配套,又能代替进口同步带轮使用。
2、用户定制同步带轮,请提供带轮图纸(图中可不必绘制带轮的齿形尺寸),可按用户提供的规格型号、带轮内孔、键槽、宽度等尺寸为用户绘制带轮图纸。
3、同步带轮完全可以按照用户需求加工,同样我厂也可以为用户制定图纸。
同步带轮/同步轮传动特点
1)传动准确,工作时无滑动,具有恒定的传动比;
2)传动平稳,具有缓冲、减振能力,噪声低;
3)传动效率高,可达0.98,节能效果明显;
4)维护保养方便,不需润滑,维护费用低;
5)速比范围大,一般可达10,线速度可达50m/s,具有较大的功率传递范围,可达几瓦到几百千瓦;
6)可用于长距离传动,中心距可达10m以上。
88爱彩
7) 无污染,可在不允许有污染和工作环境较为恶劣的场所下正常工作
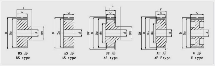
同步带轮基本结构图
88爱彩
备注:A--表示同步带轮不带台阶 B--表示同步带轮带台阶 W--表示同步带轮两端有掏空孔(减重量结构) F--表示同步带轮带档片 S--表示同步带轮不带档片
同步带轮外径及节圆外径示意图
备注:Pb=同步轮节圆或同步带节线上测得相邻两齿的距离。 d=同步轮的节圆直径。 do=同步轮实际外圆直径。
同步带轮表示方法
88爱彩
iHF齿轮21年只做一件事精密齿轮制造—同步带轮—同步带,生产厂家标准件大量库存当天发货价格优质保障,集研发.生产.服务一体化,版权所有:http://hawaii411.com转载请注明出处
- 让同步带轮不会发热的知识点,您要了解吗?
- 附近的齿轮加工厂电话 189-2935-7195
- 同步带轮htd型(圆弧形齿)选型图
- 使用同步带轮传动的特点
- 现代数控机床采用同步带轮传动如何控制机床的噪音?
- 用户最好是购买知名厂家制造的材质质量好尺寸精准的同步带轮
- 同步带轮的使用寿命由哪些方面影响的呢
- 对于同步带轮的成本应该如何控制
- 同步带轮也需要维护
- 同步带轮:将力量分散处理
联系iHF齿轮
18929357195
售后电话:0755-27746221
客服QQ:2850623673
邮箱:88爱彩2850623673@qq.com
地址:88爱彩深圳市龙华新区大浪创艺路16号安宏基工业园C栋


