同步带轮的旋压铆台工艺
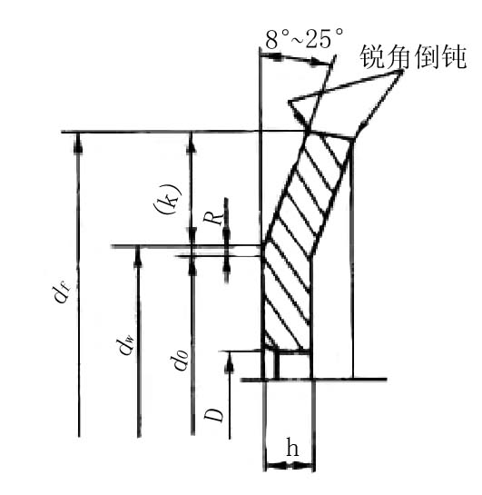
为了把挡圈牢固地铆台在同步带轮上,我们采取了在同步带轮两端面圆周上加工出9O的V型沟槽,作为旋压铆合的施压部位为了旋压铆合时使挤压金属产生均匀的塑性变形,达到牢固铆台挡圈的目的,一般选择V型沟槽深1.5ram,沟槽中心到外圆距离为2.5~3.5ram。为保证同步带轮与挡圈的配台问隙及铆台质量,一般选择它的配合形式为过渡配合。
在旋压铆合之前,首先应将挡圈压入同步带轮的台阶中,然后把同步带轮装夹在普通车床的三爪上(注意使用铜衬套保护齿面不被夹毛),把旋压铆合工具装央在刀架上,使工件以2~5转/分的低转速转动,再使刀架上的旋压工具挤向V型沟槽,以使被挤压金属产生塑性变形且使晶粒不被挤碎,这祥,f毫外侧流动的金属就会牢固地把挡圈铆台在同步带轮上。
同步带轮的旋压转速与挡圈的铆合质量是密切相关的。过高的转速固然可以提高生产效率,但往往还会引起机床振动及工件的发热生温,过热的金属受压后往往会向同步带轮的轴线方向延伸和发生较大的塑性变形,并造成金属的疲劳和晶粒的破碎,使旋压铆台表面粗糙度恶化和铆台强度不够。
在我厂近几年的新产品开发中,同步带传动正以它传动平稳、可靠性高、结构简单、制造方便和噪音低等优点广泛直用在新产品的机械传动中,并不断替代链条传动和齿轮传动,成为纺织机械中的一种新的传动形式。根据同步带传动的特点和使用要求,有些同步带轮的两边必须铆台挡圈(图1),以限制同步带在工作过程中的左右窜动。
挡圈铆合的现状
88爱彩 一些同步带轮厂目前所生产的同步带轮挡圈的铆合,是用錾子在结合处铆几个点(通常是在圆周上的均布四点),这样几点的铆台,仅是靠同步带轮上被錾部位的金属变形来固定挡圈,其牢固强度很难保证同步带轮的工作可靠性,如果同步带轮和挡圈是间隙配合,就更难保证铆合质量和强度同步带轮在使用过程中,挡圈极易受同步带侧面的挤压,长时间的挤压就会使挡圈很容易脱落,这种现象将严重影响同步带轮的正常运行和工作可靠性。
iHF齿轮21年只做一件事精密齿轮制造—同步带轮—同步带,生产厂家标准件大量库存当天发货价格优质保障,集研发.生产.服务一体化,版权所有:http://hawaii411.com转载请注明出处
- 让同步带轮不会发热的知识点,您要了解吗?
- 附近的齿轮加工厂电话 189-2935-7195
- 同步带轮htd型(圆弧形齿)选型图
- 使用同步带轮传动的特点
- 现代数控机床采用同步带轮传动如何控制机床的噪音?
- 用户最好是购买知名厂家制造的材质质量好尺寸精准的同步带轮
- 同步带轮的使用寿命由哪些方面影响的呢
- 对于同步带轮的成本应该如何控制
- 同步带轮也需要维护
- 同步带轮:将力量分散处理
联系iHF齿轮
18929357195
售后电话:88爱彩0755-27746221
客服QQ:2850623673
邮箱:2850623673@qq.com
地址:88爱彩深圳市龙华新区大浪创艺路16号安宏基工业园C栋


