同步带轮配套服务需知
同步带轮88爱彩配合同步带的使用,为现代化设备实现远距离传送动力或者输送产品提供了高精度、低噪音、维护少、效率高和传动可靠的传动方案。
88爱彩 为方便客户在这方面进行采购,我司在销售各类优质工业皮带的同时,也专门为客户提供订做的同步带轮配套服务。在保证同步带轮与所选同步皮带在齿形上吻合的基础上,我们能够根据客户提供的图纸生产出各式各样满足户需要的同步带轮产品。而且我们在这方面会有经验丰富的工程师来跟进整个过程,如发现图纸有不合理的地方会在生产前向客户及时地反映,并提出改善方案,务求使客户省心。
对于刚刚接触同步带轮传动的客户,可能对其认识不深,我司有专门的同步带轮产品目录资料供大家免费下载参考。里面所述的都是一般常用同步带轮的经典样式与尺寸,涵盖的齿型从英制齿、梯形齿、圆弧齿、齿板到齿棒,己能满足大部分客户使用要求。如客户选好资料上的同步带轮样式与尺寸,只需提供如下信息即可(我们会根据客户提供信息出图,供客户核实):
88爱彩 ①同步带轮款式代号:如AF型、A型、BF型、B型等
②材质(常用的是45号钢和铝件)
③齿形(与配合使用的皮带齿形一致)
④齿数
⑤配合使用的皮带宽度
88爱彩 ⑥中心孔直径
88爱彩 ⑦中心孔是否带键槽
⑧同步带轮两侧是否用到挡圈(又称为法兰)防止皮带脱落
⑨表面处理(如果是钢件一般需要发黑,如果是铝件一般不需处理)
88爱彩 ⑩数量(数量大的话,相应价格会便宜)
如有疑问,下面举例说明每个项目:
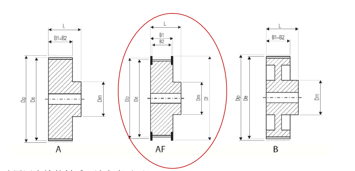
88爱彩 ①同步带轮款式代号
88爱彩 按设备实际需要,A型为无挡圈款式、A「型为带挡圈款式、B型为无挡圈并开设了两个减轻槽来减轻重量(一般为同步带轮直径较大时才使用)
如客户想选用红圈的款式,请记录其款式代号为:AF
②选用同步带轮的材质,请参考以下:
88爱彩 A:同步带轮常用材料分别为:
铝合金(LY22或6028):质量轻(适合高),防锈,价格较45钢贵
88爱彩 钢(45钢):齿面强度高不易损坏、质量重,防锈需表面处理(一般为表面发黑)
灰铸铁(HT250):轮子尺寸很大时使用,生产时需额外做模具铸造成型,吸震性好
88爱彩 黄铜:较少用,机械性与耐磨性很好
塑料(尼龙):较少用,质量轻,耐磨,自润滑
88爱彩 (除了铸铁材质较少做外,其余材质均能生产。有特殊要求时,请联系时说明。)
③同步带轮齿形(与配合使用的皮带齿形一致)
同步带轮的齿型选择是根据客户所选用的同步皮带齿型来定的,而客户在选用同步皮带齿型时,除了根据别人己经研发成功的设备作为参考外,还有没有别的简单而准确的方法呢?以下,简单举例说明其中的一种方法:
88爱彩 A.首先,开口带的选型主要看两个参数:功率和转速。
88爱彩 如下图所示,纵坐标表示电机功率(单位:千瓦),横坐标表示电机转速(单位:每分钟转的圈数)。每款皮带所适用的功率与转速都用曲线画出了
如果客户设备是500转/分钟,所用功率在1千瓦以下,那么根据这两个坐标相交的情况,可以从下图看出,可以选用T5, XL和RPPS三种类型。
图1节选自我司的无接驳带资料
88爱彩 B.当跟据设备功率与转速选定了皮带的类型后,下一步就是要给皮带选择适当的宽度。皮带宽度选择主要是看一个参数:拉力(或说是负载)大小
下图是各种类型的皮带宽度,与对应的拉力大小综合图。纵坐标表示皮带宽度,横坐标表示相应拉力大小。
图2节选自我司的无接驳带资料
④同步带轮齿数选择
与同步带使用的同步带轮一般有两个,一个为主动轮(连接电机马达主轴),另一个为从动轮(连动力输出轴)。而这两个同步带轮的齿数,主要是根据设备设计的传动比来定的。
88爱彩 旋转比=大带轮齿数/小带轮齿数
在选定小带轮齿数时,受每款皮带的最小折弯半径限制,小带轮齿数有最少数量限制【参考同步带工程参数】
88爱彩 ⑤配合使用的皮带宽度
请根据设备设计拉力与我司的皮带拉力表,去选择相应皮带宽度,皮带越宽其拉力越大。
88爱彩 ⑥同步带轮的中心孔直径
88爱彩 请按照设备上安装同步带轮的轴的直径大小来确定此孔的大小。
⑦同步带轮中心孔是否带键槽
88爱彩 如同步带轮是需要连接电机马达或者用作驱动源的话,此时为了能传递尽量大的动力,建议此同步带轮需要在中心孔处开设一个键槽,以避免同步带轮与其安装轴之间的打滑。(具体槽的尺寸请根据设备实际情况,然后再参考国标GB/T1095-2003决定)
⑧同步带轮两侧是否用到挡圈(又称为法兰)防止皮带脱落
由于同步带轮的安装轴在实际安装过程中,很容易会使两个同步带轮的两条安装轴彼此间弄得不平行。因此同步带在运行过程中,很可能会出现往挡圈一边偏移的现象。而在同步带轮的两侧都加上挡圈,能有效防止皮带因偏移而脱落。其实,皮带的偏移问题,是能够通过调节安装轴的平行度来解决的,如果偏移过于严重,一方面会使皮带接触挡圈的一侧磨损,减少皮带寿命;另一方面会引起噪音与皮带振动。这方面希望客户能有足够的重视。
⑨同步带轮的表面处理(除镀硬铬外,以下热处理我司均能提供)
表面处理是在基体材料表面上人工形成一层与基体的机械、物理和化学性能不同的表层的工艺方法。目的是满足产品的耐蚀性、耐磨性、装饰或其他特种功能要求。
88爱彩 ⑩订购同步带轮数量
由于加工不同齿形与齿数的同步带轮时,都要花费大量时间进行设备调整,因此这部分的加工成本较重。如同款同步带轮生产数量较大,则能分摊这部分的加工费用。因此,鼓励客户在询价时说明计划的订购数量情况。如有量购计划,但由于不放心想购入几个作为样本做试验。只要客户说明情况,我司定必以最优惠的价格与货期,给客户提供方便。
iHF齿轮22年只做一件事精密齿轮制造—同步带轮—同步带,生产厂家标准件大量库存当天发货价格优质保障,集研发.生产.服务一体化,版权所有:http://hawaii411.com转载请注明出处
- 同步带轮配套服务需知
- 【厉害了】小齿轮助力高科技,新时代谱写新辉煌
- 同步带厂家讲解同步带的常见问题及解决方法
- 专业知识:详解齿轮接触疲劳之“点蚀”
- 深圳齿轮厂家告诉你影响齿轮齿轮润滑的因素
- 深圳齿轮定制如何减少齿轮变形和开裂
- 同步带轮的优点及工作原理
- 深圳同步带轮品牌生产厂家教您让传动更高效的方法
- 企业如何选择同步轮品牌厂家?
- 同步带轮品牌和杂牌的区别
联系iHF齿轮
88爱彩 18929357195
售后电话:0755-27746221
客服QQ:2850623673
邮箱:88爱彩2850623673@qq.com
地址:88爱彩深圳市龙华新区大浪创艺路16号安宏基工业园C栋



