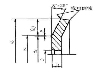
常见同步带轮规格型号和挡圈尺寸及设置
|
|
||||||||||||||||||||||
|
88爱彩 周节制 |
槽型 |
MXL |
XXL |
XL |
L |
H |
XH |
XXH |
||||||||||||||
|
挡圈最小高度K |
88爱彩 0.5 |
0.8 |
88爱彩 1.0 |
1.5 |
88爱彩 2.0 |
4.8 |
88爱彩 6.1 |
|||||||||||||||
|
挡圈厚度h |
0.5~1.0 |
0.5~1.5 |
0.5~1.5 |
88爱彩 1.0~2.0 |
88爱彩 1.5~2.5 |
88爱彩 4.0~5.0 |
88爱彩 5.0~6.5 |
|||||||||||||||
|
带轮外径d0 |
88爱彩 见各型号附表 |
|||||||||||||||||||||
|
88爱彩 挡圈弯曲处直径dw |
88爱彩 dw=do+(0.38±0.25) |
|||||||||||||||||||||
|
挡圈外径df |
df=dw+2K |
|||||||||||||||||||||
|
模数制 |
模数 |
1 |
1.5 |
2 |
88爱彩 2.5 |
3 |
4 |
88爱彩 5 |
7 |
88爱彩 10 |
||||||||||||
|
88爱彩 Kmin |
0.5 |
88爱彩 1 |
1.5 |
2 |
3 |
88爱彩 5 |
6 |
|||||||||||||||
|
h |
88爱彩 0.5~1 |
1.0~1.5 |
1.0~2.0 |
1.5~2.5 |
88爱彩 2.5~4 |
88爱彩 4~5 |
5~6.5 |
|||||||||||||||
|
特殊节距 |
88爱彩 槽型 |
T2.5 |
88爱彩 T5 |
T10 |
T20 |
|||||||||||||||||
|
挡圈最小高度K |
0.8 |
1.2 |
88爱彩 2.2 |
88爱彩 3.2 |
||||||||||||||||||
|
挡圈弯曲处直径dw |
88爱彩 dw=do+(0.38±0.25) |
|||||||||||||||||||||
|
挡圈外径df |
88爱彩 df=dw+2K |
|||||||||||||||||||||
|
圆弧齿 |
88爱彩 槽型 |
3M |
88爱彩 5M |
8M |
14M |
20M |
||||||||||||||||
|
挡圈最小高度K |
88爱彩 2.0~2.5 |
88爱彩 2.5~3.5 |
4.0~5.5 |
88爱彩 7.~7.5 |
8.0~8.5 |
|||||||||||||||||
|
R=(dw~do)/2 |
88爱彩 1 |
88爱彩 1.5 |
88爱彩 2 |
88爱彩 2.5 |
3 |
|||||||||||||||||
|
挡圈厚度h |
1.5~2.0 |
1.5~2.5 |
2.5~3. |
3.0~3.5 |
||||||||||||||||||
|
88爱彩 带轮外径do |
各型号附表 |
|||||||||||||||||||||
|
挡圈弯曲处直径dw |
dw=do+2R |
|||||||||||||||||||||
|
挡圈外径df |
df=dw+2K |
|||||||||||||||||||||
同步带轮档圈的设置
|
88爱彩 两轴传动 |
(1) (2) (2) 也可在大小带轮的不同侧面各装单侧挡圈,如图b |
|
|
|
|
|
||
|
|
|
||
|
多轴传动 |
(2) |
||
88爱彩
88爱彩
iHF齿轮21年只做一件事精密齿轮制造—同步带轮—同步带88爱彩,生产厂家标准件大量库存当天发货价格优质保障,集研发.生产.服务一体化,版权所有:http://hawaii411.com转载请注明出处
- 同步带轮制造工艺和同步带轮的精度
- 同步轮设计考虑的因素
- 直径较大的同步轮如何加工
- 同步带轮加工精度升级,优质同步带轮
- 同步带轮配同步带传动同比其它传动件优点
- 同步带轮的3个设计“流程”大公布!
- 多楔带轮的制作材质
- 同步带轮设计流程
- 同步带轮的设计要求!
- T2.5型同步带轮设计参数?
联系iHF齿轮
88爱彩 18929357195
售后电话:0755-27746221
客服QQ:2850623673
邮箱:2850623673@qq.com
地址:深圳市龙华新区大浪创艺路16号安宏基工业园C栋


