多楔带轮传动比计算
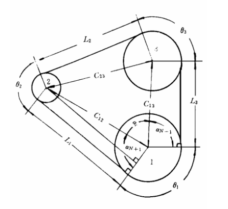
多楔带的带长和包角是轮系设计计算中的两个最基本的参数,多楔带传动经常是一带传动多个多楔轮,而且会包括背部传动。所以多楔带的带长计算会是非常的复杂。在设计时候,附件轮的位置和直径会经常改变,所以我们如果要获得最佳的结果和特定的带长,就必须要根据附件的位置来进行反的核算。因此,多楔带的带长和包角的计算成就就显得非常的碧瑶和实用了。
而需要多楔带的带长和包角,多楔轮的传动比的计算就非常的重要了。在下图中我们可以看出,多楔轮和多楔带的相对位置有两种情况,即是多楔轮在多谢带的内侧或者是在多楔带的外侧。
多楔轮的传动比计算公式如下:
Ln=√ ̄【Cn²×N+1-(Dn-Dn+1)²÷2】
88爱彩 其中Cn为各个多楔轮的中心距,Dn为各个多楔轮的直径
iHF齿轮21年只做一件事精密齿轮制造—同步带轮—同步带,生产厂家标准件大量库存当天发货价格优质保障,集研发.生产.服务一体化,版权所有:http://hawaii411.com转载请注明出处
- 同步带轮在设计时需要涉及到哪些方面
- 多楔带轮传动比计算
- 同步带轮的规格怎么计算
- 同步带轮的正确计算公式?
- 同步带轮的设计和节圆直径的计算方式
- 同步带轮的节圆直径如何计算公式
- 同步带传动计算
- 同步带轮选型计算公式
- 同步带轮齿数计算公式
- ·同步皮带轮HTD5M理论尺寸表产品描述-
联系iHF齿轮
18929357195
售后电话:88爱彩0755-27746221
客服QQ:2850623673
邮箱:2850623673@qq.com
地址:深圳市龙华新区大浪创艺路16号安宏基工业园C栋


